Теплообменник Ридан НН№43 ДУ 200
Заявка на покупку или консультацию
×Характеристики
Рабочая температура среды, °C
от -25 до +180
Рабочее давление, бар
25
Материал прокладки
EPDM, Nitril, Viton и их модификации
Материал пластин
AISI 304, AISI 316L, SMO 254, Titan, C-276 и другие
Регулируемая среда (теплоноситель)
вода, пар, углеводороды, кислоты, пищевые жидкости и другие
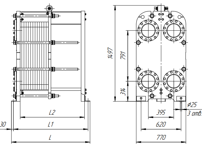
Теплообменник Ридан НН№43 имеет диаметр присоединения 200 мм (ответные фланцы поставляются в комплекте), и может включать от 11 до 665 пластин. При площади одной пластины в 0,46 м² максимальная площадь теплообмена для типа НН№43 составит 314,64 м².

Популярные товары
Ридан 148H3362R — Корпус регулятора температуры масла ORV DN 80, PN 52, присоединение к трубопроводу — под сварку встык DIN106 188,17 ₽
Ридан 141R8621 — Компрессор спиральный RCM51E4LB7CA, индивидуальная упаковка, хладагент R404A, номинальное напряжение 380-420 В / 3 фазы / 50 Гц & 460 В /3 фазы / 60 Гц95 120,47 ₽
Ридан BVR-CR 065B8302RG — Кран шаровой ГОСТ59553-2021 c наружной резьбой и насадкой под шланг PN10 DN25; Т -20 ℃ ...+95 ℃; материал корпуса латунь4 608,05 ₽





